销售热线
技术热线:0576-85183757

销售电话:0576-85182037
技术电话:0576-85183757
传真号码:0576-85182843
联系邮箱:haihong@szycst.com
公司地址:浙江省临海市江南街道金岭路199号
产品特点
六通片式多路阀;
紧凑的片式结构,可针对不同系统的需要组合相应的控制阀组;
控制方式:手控、液控;
回路形式:并联回路、串并联回路、串联回路;
内泄漏小,压力损失小;
通过一次、二次溢流阀保护系统。
应用领域
应用于叉车、挖掘机、农业机械、钻机、旋挖机、物流搬运机械、矿山机械等其他工程机械。
技术参数(对超出下述参数的应用场合,请与我公司联系)
|
概述 |
|
|
油口连接方式 |
螺栓连接 |
|
控制方式 |
六通回路/压力控制 |
|
安装方式 |
见典型外形图 |
|
通径 mm |
15 |
|
阀杆行程 mm |
7/7 |
|
液压 |
|
|
额定压力bar |
中压型L ≤250 |
|
高压型H ≤300 |
|
|
允许最大回油背压bar |
≤15 |
|
先导控制压力bar |
≤35 |
|
先导控制曲线bar |
6~90(三位) |
|
液压油温度范围℃ |
-20~+100 |
|
粘度范围m2/s |
10~460 |
|
油液允许的污染等级 |
-/19/16 (ISO4406:1999) |
|
机械 |
|
|
重量 |
|
|
进油联 kg |
3 |
|
换向联(标准液控联) kg |
1.5 |
|
出油联 kg |
2.5 |
|
阀芯复位力(无定位装置)N |
≤160 |
|
阀芯允许的最大操作力 |
|
|
轴向力N |
≤1000 |
|
径向力N |
≤20 |
特性曲线
基本原理示意
换向联
常用原理图型号示例:
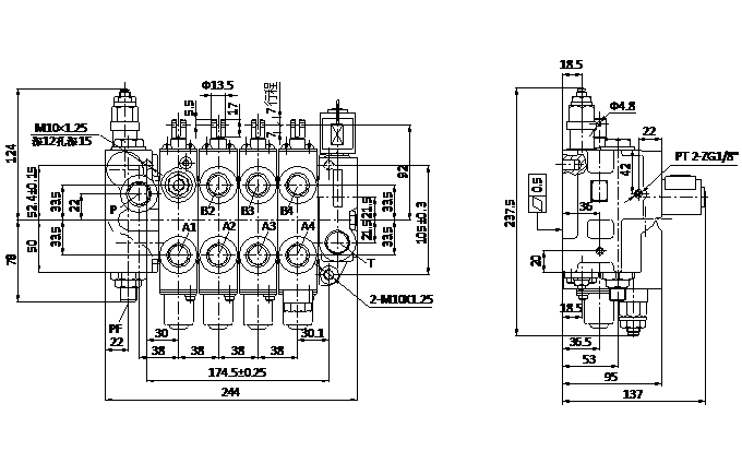
CDB2-F15系列典型外形图及其液压原理图
应用说明
CDB2-F15系列多路为比较典型的15通径多路阀,该阀进油联稳定分流一部分流量,供应转向系统使用;倾斜联带前倾自锁功能,当车辆熄火后误操作前倾手柄门架也不会前倾,提高了作业安全度。该系列多路阀整体结构紧凑,广泛应用于1-3.5T小型叉车、叉装机等各种工程车辆。
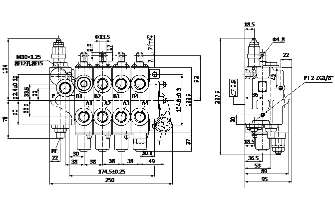
CDB3-F15系列典型外形图及其液压原理图
应用说明
目前国内的叉车液压系统,只要发动机开始工作提供泵来油,就能操作手柄来控制叉车门架的各种动作,当操作者暂时离开忘记熄火时,操作手柄门架仍能实现下降和前后倾功能,存在安全隐患。CDB3-F15系列多路阀通过在升降阀片设置电磁阀来控制叉车门架的下降;在回油联设置电磁阀来控制整个工作油路的供油状态,实现操作者存在感知功能,消除安全隐患。并且该多路阀进油片可集成优先阀,优先对转向器进行供油,转向不工作时油液全部去工作系统,能有效的降低能耗。该系列多路阀应用于1-3.5T叉车、小型叉装机等工程车辆。
WJ15系列典型外形图及其液压原理图


应用说明
WJ15系列多路阀采用串并联结构,工作联可根据需求增加或减少。进油联上有主溢流阀,保护系统压力不超过设定值,工作联上还可设二次溢流阀,保护油缸。阀杆机能采用O或Y型,控制机能可采用手动或液控方式,复位机构可采用弹簧复位或钢球定位。该系列多路阀广泛应用于小型挖机、钻机、环保机械等小型车辆。
相关产品
销售热线:0576-85182037
友情链接: 多路阀系列 先导阀系列 制动阀系列 操纵阀系列 农机阀系列 转向阀系列 Sitemap TXT Sitemap XML 网站地图

微信官网

手机官网