销售热线
技术热线:0576-85183757
销售电话:0576-85182037
技术电话:0576-85183757
传真号码:0576-85182843
联系邮箱:haihong@szycst.com
公司地址:浙江省临海市江南街道金岭路199号
产品特点
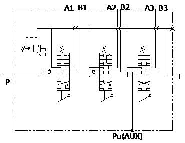
整体式三联结构;
控制方式:手控、液控;
回路形式:串联回路;
密封性能好;
溢流阀、过载阀、补油阀等采用插装式结构;
结构紧凑、压力损失小;
通用性好,便于维修。
应用领域
滑移装载机等其它工程机械工作装置液压系统。
液压原理图
技术参数(对超出下述参数的应用场合,请与我公司联系)
|
概述 |
|
|
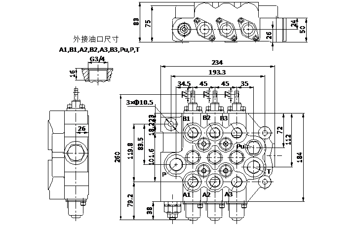
油口连接方式 |
螺纹连接 |
|
控制方式 |
压力控制 |
|
安装方式 |
见外形图 |
|
通径 mm |
19 |
|
液压 |
|
|
公称流量L/min |
100 |
|
公称压力bar |
200 |
|
允许最大回油背压bar |
15 |
|
先导控制压力bar |
30 |
|
先导控制曲线bar |
4~25 |
|
液压油温度范围℃ |
-20~+100 |
|
粘度范围m2/s |
10~460 |
|
油液允许的污染等级 |
-/19/16 (ISO4406:1999) |
|
机械 |
|
|
重量 |
20kg |
产品外形图
相关产品
销售热线:0576-85182037
友情链接: 多路阀系列 先导阀系列 制动阀系列 操纵阀系列 农机阀系列 转向阀系列 Sitemap TXT Sitemap XML 网站地图

微信官网

手机官网