销售热线
技术热线:0576-85183757
销售电话:0576-85182037
技术电话:0576-85183757
传真号码:0576-85182843
联系邮箱:haihong@szycst.com
公司地址:浙江省临海市江南街道金岭路199号
产品特点
结构简单、紧凑;
整体式结构,消除片式结构片间外漏现象;
六通片式多路阀;
控制方式:手控。
应用领域
该阀应用在汽车起重机、清障车、高空作业车、混凝土泵车等工程车辆上;
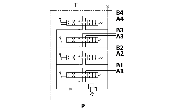
液压原理图
注:P1、P2口进油、T口回油,a、b口接先导油、AB口接控制油缸。
技术参数(对超出下述参数的应用场合,请与我公司联系)
|
概述 |
|
|
结构 |
整体式 |
|
油口连接方式 |
螺纹 |
|
安装方式 |
见外形图 |
|
安装螺栓扭矩 N.m |
29~35 |
|
通径 mm |
9 |
|
液压 |
|
|
公称流量 L/min |
60 |
|
公称压力bar |
250 |
|
允许最大回油背压bar |
15 |
|
液压油温度范围℃ |
-20~+100 |
|
粘度范围m2/s |
10~380 |
|
油液允许的污染等级 |
-/19/16 (ISO4406:1999) |
|
机械 |
|
|
重量 |
约37.5kg |
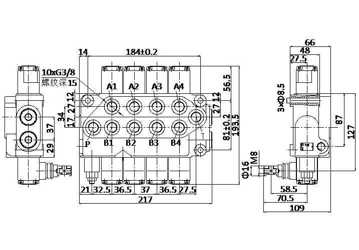
产品外形图
相关产品
销售热线:0576-85182037
友情链接: 多路阀系列 先导阀系列 制动阀系列 操纵阀系列 农机阀系列 转向阀系列 Sitemap TXT Sitemap XML 网站地图

微信官网

手机官网